Toyota CH-R Revue Technique: Circuit du contacteur au volant

DESCRIPTION

Ce circuit envoie un signal d'activation à partir de l'ensemble de contacteur au volant vers l'ensemble de récepteur de radio et d'affichage.

Si le circuit présente une coupure, le système audio ne peut être commandé par l'ensemble de contacteur au volant.

Dans le cas d'un court-circuit, le résultat est le même que celui obtenu en maintenant un contacteur enfoncé en permanence. Par conséquent, l'ensemble d'autoradio et d'affichage ne peut être activé par l'ensemble de contacteur au volant, et l'ensemble d'autoradio et d'affichage lui-même ne peut pas fonctionner.

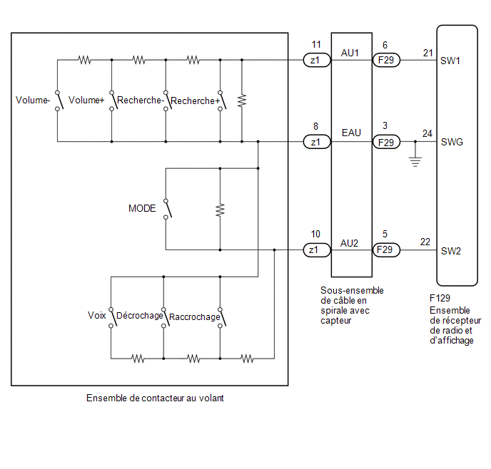
SCHEMA DE CABLAGE

MESURE DE PRECAUTION / REMARQUE / CONSEIL

REMARQUE:

Le véhicule est équipé d'un système de retenue supplémentaire (SRS) comprenant des éléments tels que les airbags. Avant tout entretien (y compris la dépose ou la repose de pièces), lire attentivement les mesures de précaution concernant le système de retenue supplémentaire.

Cliquer ici

PROCEDURE

1.

VERIFIER LE FAISCEAU DE CABLES ET LE CONNECTEUR (SIGNAL DE CONTACTEUR AU VOLANT)

(a) Débrancher le connecteur F129 d'ensemble de récepteur de radio et d'affichage.

(b) Mesurer la résistance en fonction de la (des) valeur(s) indiquée(s) dans le tableau ci-dessous.

Résistance standard:

Branchement du tester

Condition

Condition spécifiée

F129-21 (SW1) - F129-24 (SWG)

Aucun contacteur enfoncé

95 à 105 kΩ

Contacteur Recherche+ enfoncé

En dessous de 2,5 Ω

Contacteur Recherche- enfoncé

313 à 345 Ω

Contacteur Volume+ enfoncé

950 à 1 050 Ω

Contacteur Volume- enfoncé

2 955 à 3 265 Ω

F129-22 (SW2) - F129-24 (SWG)

Aucun contacteur enfoncé

95 à 105 kΩ

Contacteur MODE enfoncé

En dessous de 2,5 Ω

Contacteur de raccrochage enfoncé

313 à 345 Ω

Contacteur de décrochage enfoncé

950 à 1 050 Ω

Contacteur Voix enfoncé

2 955 à 3 265 Ω

OK

PASSER A L'ORGANE INCRIMINE SUIVANT INDIQUE DANS LE TABLEAU DES SYMPTOMES DE PROBLEMES

INCORRECT

2.

VERIFIER L'ENSEMBLE DE CONTACTEUR AU VOLANT

(a) Déposer l'ensemble de contacteur au volant.

Cliquer ici

(b) Vérifier l'ensemble de contacteur au volant.

Cliquer ici

INCORRECT

REMPLACER L'ENSEMBLE DE CONTACTEUR AU VOLANT

OK

3.

VERIFIER LE SOUS-ENSEMBLE DE CABLE EN SPIRALE AVEC CAPTEUR

(a) Déposer le sous-ensemble de câble en spirale avec capteur.

Cliquer ici

(b) Vérifier le sous-ensemble de câble en spirale avec capteur.

Cliquer ici

REMARQUE:

  • Maintenir enfoncé le verrou situé sur la partie centrale du sous-ensemble de câble en spirale avec capteur pour faire tourner le sous-ensemble de câble en spirale avec capteur.
  • Le sous-ensemble de câble en spirale avec capteur est une pièce essentielle du système d'airbag SRS. Une dépose ou une repose incorrecte du sous-ensemble de câble en spirale avec capteur peut empêcher le déploiement de l'airbag.
  • Si le sous-ensemble de câble en spirale avec capteur risque de casser, ne pas faire tourner le sous-ensemble de câble en spirale avec capteur au-delà de la valeur spécifiée.
OK

REPARER OU REMPLACER LE FAISCEAU DE CABLES OU LE CONNECTEUR (ENSEMBLE DE RECEPTEUR DE RADIO ET D'AFFICHAGE - SOUS-ENSEMBLE DE CABLE EN SPIRALE AVEC CAPTEUR OU MASSE DE CARROSSERIE)

INCORRECT

REMPLACER LE SOUS-ENSEMBLE DE CAPTEUR AVEC CABLE EN SPIRALE

    Circuit d'éclairage
    DESCRIPTION L'alimentation électrique est fournie à l'éclairage de l'ensemble de récepteur de radio et d'affichage et de l'ensemble de contacteur au volant lorsque le contac ...

    Circuit de haut-parleur
    DESCRIPTION S'il y a un court-circuit dans le circuit d'un haut-parleur, l'ensemble de récepteur de radio et d'affichage le détecte et cesse d'émettre vers les haut-parleurs. ...

    Autres matériaux::

    Toyota CH-R Notice d'utilisation > Mesures à prendre en cas d'urgence: En cas de crevaison (véhicules équipés d'un kit de réparation anticrevaison de secours)
    Les véhicules équipés d'un kit de réparation anticrevaison de secours sont dépourvus de roue de secours. Vous pouvez vous dépanner provisoirement d'une crevaison causée par un clou ou une pointe planté dans la bande de roulement, avec le kit de réparation anticrevaison de secours. AVERTI ...

    Toyota CH-R Notice d'utilisation > Portes latérales: Déverrouillage et verrouillage des portes depuis l'intérieur
    Boutons de verrouillage centralisé des portes Verrouillage de toutes les portes Déverrouillage de toutes les portes Boutons intérieurs de verrouillage Verrouillage de la porte Déverrouillage de la porte Vous pouvez ouvrir les portes avant en tirant la poignée intérieure, même lorsq ...

    Toyota C-HR (AX20) 2023-2025 Notice d'utilisation

    Toyota CH-R Notice d'utilisation

    Toyota CH-R Revue Technique

    © 2017-2026 www.tochrfr.com
    0.0072