Toyota CH-R Revue Technique: Court-circuit dans le circuit de 2ème niveau du déclencheur côté passager avant (B1815/54-B1818/54)

Toyota CH-R Revue Technique / Systemes De Retenue Supplementaire / Systeme D'airbag / Court-circuit dans le circuit de 2ème niveau du déclencheur côté passager avant (B1815/54-B1818/54)

DESCRIPTION

Le circuit de 2ème niveau du déclencheur latéral côté passager avant se compose de l'ensemble de capteur d'airbag et de l'ensemble d'airbag de tableau de bord côté passager sans trappe.

L'ensemble de capteur d'airbag utilise ce circuit pour déployer l'airbag lorsque les conditions de déploiement sont remplies.

Ces DTC sont enregistrés lorsqu'un dysfonctionnement est détecté dans le circuit de 2ème niveau du déclencheur côté passager avant.

N° de DTC

Objet de la détection

Condition de détection du DTC

Organe incriminé

Mode de test/Mode de vérification

B1815/54

Court-circuit dans le circuit de 2ème niveau du déclencheur côté passager avant

L'une des conditions suivantes est remplie

  • L'ensemble de capteur d'airbag détecte un court-circuit dans le circuit de 2ème niveau de déclencheur côté passager avant pendant la vérification primaire.
  • Dysfonctionnement du 2ème niveau du déclencheur côté passager avant
  • Dysfonctionnement de l'ensemble de capteur d'airbag
  • Câble de tableau de bord
  • Câble de tableau de bord n° 2
  • 2ème niveau de déclencheur côté passager avant (ensemble d'airbag de tableau de bord côté passager sans trappe)
  • Ensemble de capteur d'airbag

S'applique au mode de vérification

B1816/54

Coupure dans le circuit de 2ème niveau du déclencheur côté passager avant

L'une des conditions suivantes est remplie

  • L'ensemble de capteur d'airbag détecte une coupure dans le circuit de 2ème niveau de déclencheur côté passager avant.
  • Dysfonctionnement du 2ème niveau du déclencheur côté passager avant
  • Dysfonctionnement de l'ensemble de capteur d'airbag
  • Câble de tableau de bord
  • Câble de tableau de bord n° 2
  • 2ème niveau de déclencheur côté passager avant (ensemble d'airbag de tableau de bord côté passager sans trappe)
  • Ensemble de capteur d'airbag

S'applique au mode de vérification

B1817/54

Court-circuit à GND dans le circuit de 2ème niveau du déclencheur côté passager avant

L'une des conditions suivantes est remplie

  • L'ensemble de capteur d'airbag détecte un court-circuit à la masse dans le circuit de 2ème niveau du déclencheur côté passager avant.
  • Dysfonctionnement du 2ème niveau du déclencheur côté passager avant
  • Dysfonctionnement de l'ensemble de capteur d'airbag
  • Câble de tableau de bord
  • Câble de tableau de bord n° 2
  • 2ème niveau de déclencheur côté passager avant (ensemble d'airbag de tableau de bord côté passager sans trappe)
  • Ensemble de capteur d'airbag

S'applique au mode de vérification

B1818/54

Court-circuit en B+ dans le circuit de 2ème niveau du déclencheur côté passager avant

L'une des conditions suivantes est remplie

  • L'ensemble de capteur d'airbag détecte un court-circuit en B+ dans le circuit de 2ème niveau du déclencheur côté passager avant.
  • Dysfonctionnement du 2ème niveau du déclencheur côté passager avant
  • Dysfonctionnement de l'ensemble de capteur d'airbag
  • Câble de tableau de bord
  • Câble de tableau de bord n° 2
  • 2ème niveau de déclencheur côté passager avant (ensemble d'airbag de tableau de bord côté passager sans trappe)
  • Ensemble de capteur d'airbag

S'applique au mode de vérification

Conditions de détection de DTC (B1815/54):
 

Conditions de fonctionnement du véhicule

Séquence 1

Séquence 2

Séquence 3

Condition de diagnostic

Contacteur d'allumage en position ON

â—‹

â—‹

â—‹

Etat du dysfonctionnement

L'ensemble de capteur d'airbag détecte un court-circuit dans le circuit de 2ème niveau de déclencheur côté passager avant pendant la vérification primaire.

â—‹

-

-

Dysfonctionnement du 2ème niveau du déclencheur côté passager avant

-

â—‹

-

Dysfonctionnement de l'ensemble de capteur d'airbag

-

-

â—‹

Durée de détection

-

-

-

Nombre de cycles

1 cycle(s)

1 cycle(s)

1 cycle(s)

Conditions de détection de DTC (B1816/54):
 

Conditions de fonctionnement du véhicule

Séquence 1

Séquence 2

Séquence 3

Condition de diagnostic

Contacteur d'allumage en position ON

â—‹

â—‹

â—‹

Etat du dysfonctionnement

L'ensemble de capteur d'airbag détecte une coupure dans le circuit de 2ème niveau de déclencheur côté passager avant.

â—‹

-

-

Dysfonctionnement du 2ème niveau du déclencheur côté passager avant

-

â—‹

-

Dysfonctionnement de l'ensemble de capteur d'airbag

-

-

â—‹

Durée de détection

-

-

-

Nombre de cycles

1 cycle(s)

1 cycle(s)

1 cycle(s)

Conditions de détection de DTC (B1817/54):
 

Conditions de fonctionnement du véhicule

Séquence 1

Séquence 2

Séquence 3

Condition de diagnostic

Contacteur d'allumage en position ON

â—‹

â—‹

â—‹

Etat du dysfonctionnement

L'ensemble de capteur d'airbag détecte un court-circuit à la masse dans le circuit de 2ème niveau du déclencheur côté passager avant.

â—‹

-

-

Dysfonctionnement du 2ème niveau du déclencheur côté passager avant

-

â—‹

-

Dysfonctionnement de l'ensemble de capteur d'airbag

-

-

â—‹

Durée de détection

-

-

-

Nombre de cycles

1 cycle(s)

1 cycle(s)

1 cycle(s)

Conditions de détection de DTC (B1818/54):
 

Conditions de fonctionnement du véhicule

Séquence 1

Séquence 2

Séquence 3

Condition de diagnostic

Contacteur d'allumage en position ON

â—‹

â—‹

â—‹

Etat du dysfonctionnement

L'ensemble de capteur d'airbag détecte un court-circuit en B+ dans le circuit de 2ème niveau du déclencheur côté passager avant.

â—‹

-

-

Dysfonctionnement du 2ème niveau du déclencheur côté passager avant

-

â—‹

-

Dysfonctionnement de l'ensemble de capteur d'airbag

-

-

â—‹

Durée de détection

-

-

-

Nombre de cycles

1 cycle(s)

1 cycle(s)

1 cycle(s)

CONSEIL:

Le DTC est émis lorsque les conditions requises pour l'une des séquences dans le tableau ci-dessus sont remplies.

SCHEMA DE CABLAGE

MESURE DE PRECAUTION / REMARQUE / CONSEIL

REMARQUE:

Après avoir mis le contacteur d'allumage en position OFF, un délai d'attente avant de débrancher le câble de la borne négative (-) de la batterie peut être requis. Dès lors, veiller à lire les notices concernant le débranchement du câble de la borne négative (-) de la batterie avant d'exécuter le travail.

Cliquer ici

CONSEIL:

  • Effectuer la méthode de simulation en sélectionnant le mode de vérification (Signal Check) à l'aide du Techstream.

    Cliquer ici

  • Après avoir sélectionné le mode de vérification (Signal Check), effectuer la méthode de simulation en secouant légèrement chaque connecteur du système d'airbag ou en conduisant le véhicule en ville ou sur une route en mauvais état.

    Cliquer ici

PROCEDURE

1.

VERIFIER LES CONNECTEURS

(a) Mettre le contacteur d'allumage en position OFF.

*1

Ensemble d'airbag de tableau de bord côté passager sans trappe

*2

Ensemble de capteur d'airbag

*3

Câble de tableau de bord n° 2

*4

Câble de tableau de bord

(b) Débrancher le câble de la borne négative (-) de la batterie.

ATTENTION:

Attendre au moins 90 secondes après avoir débranché le câble de la borne négative (-) de la batterie pour désactiver le système SRS.

(c) S'assurer que les connecteurs sont correctement branchés sur l'ensemble d'airbag de tableau de bord côté passager sans trappe et sur l'ensemble de capteur d'airbag. S'assurer aussi que les connecteurs reliant le câble de tableau de bord au câble de tableau de bord n° 2 sont correctement branchés.

OK:

Les connecteurs sont correctement branchés.

CONSEIL:

Si les connecteurs ne sont pas branchés correctement, rebrancher les connecteurs et passer à la vérification suivante.

(d) Débrancher les connecteurs de l'ensemble d'airbag de tableau de bord côté passager sans trappe et de l'ensemble de capteur d'airbag. Débrancher également le câble de tableau de bord du câble de tableau de bord n° 2.

(e) Vérifier si les bornes des connecteurs ne sont ni déformées ni endommagées.

OK:

Les bornes ne sont ni déformées ni endommagées.

(f) S'assurer que le connecteur de câble de tableau de bord n° 2 (sur l'ensemble d'airbag de tableau de bord côté passager sans porte) n'est pas desserré, déformé ou endommagé.

OK:

Le bouton de verrouillage de connecteur n'est pas libéré et la griffe de la serrure n'est ni déformée ni endommagée.

(g) S'assurer que les ressorts de court-circuit des mécanismes de prévention d'activation du connecteur de câble de tableau de bord et du connecteur de câble de tableau de bord n° 2 ne sont ni déformés ni endommagés.

OK:

Les ressorts de court-circuit ne sont ni déformés ni endommagés.

INCORRECT

REMPLACER LE FAISCEAU DE CABLES

OK

2.

VERIFIER L'ENSEMBLE D'AIRBAG DE TABLEAU DE BORD COTE PASSAGER SANS PORTE

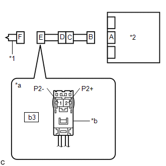
(a) Brancher le câble de tableau de bord sur le câble de tableau de bord n° 2 et sur l'ensemble de capteur d'airbag.

*1

Ensemble d'airbag de tableau de bord côté passager sans trappe

*2

Ensemble de capteur d'airbag

*a

Vue avant du connecteur côté faisceau de câbles

(vers l'ensemble d'airbag de tableau de bord côté passager sans porte)

*b

Couleur: Noir(e)

(b) Brancher le SST (résistance 2,1 Ω) sur le connecteur E (connecteur noir).

ATTENTION:

Ne jamais brancher de tester sur l'ensemble d'airbag de tableau de bord côté passager sans trappe pour procéder à une mesure, car cela pourrait occasionner des blessures graves suite au déploiement de l'airbag.

REMARQUE:

  • Ne pas forcer pour introduire le SST dans les bornes du connecteur lors de son branchement.
  • Veiller à introduire le SST bien dans l'axe des bornes du connecteur.

SST: 09843-18061

(c) Brancher le câble sur la borne négative (-) de la batterie.

(d) Supprimer les DTC enregistrés dans la mémoire.

Cliquer ici

Body Electrical > SRS Airbag > Clear DTCs

(e) Mettre le contacteur d'allumage en position OFF.

(f) Mettre le contacteur d'allumage en position ON (IG) et attendre au moins 60 secondes.

(g) Vérifier les DTC.

Cliquer ici

Body Electrical > SRS Airbag > Trouble Codes

OK:

Le DTC B1815/54, B1816/54, B1817/54 ou B1818/54 n'est pas émis.

CONSEIL:

Des codes autres que les DTC B1815/54, B1816/54, B1817/54 et B1818/54 peuvent être émis à ce stade, mais ils sont sans objet pour cette vérification.

(h) Mettre le contacteur d'allumage en position OFF.

(i) Débrancher le câble de la borne négative (-) de la batterie.

ATTENTION:

Attendre au moins 90 secondes après avoir débranché le câble de la borne négative (-) de la batterie pour désactiver le système SRS.

(j) Débrancher le SST du connecteur E.

OK

REMPLACER L'ENSEMBLE D'AIRBAG DE TABLEAU DE BORD COTE PASSAGER SANS PORTE

INCORRECT

3.

VERIFIER LE CIRCUIT DE 2EME NIVEAU DU DECLENCHEUR COTE PASSAGER AVANT

(a) Débrancher le câble de tableau de bord de l'ensemble de capteur d'airbag.

*1

Ensemble d'airbag de tableau de bord côté passager sans trappe

*2

Ensemble de capteur d'airbag

*a

Vue avant du connecteur côté faisceau de câbles

(vers l'ensemble d'airbag de tableau de bord côté passager sans porte)

*b

Couleur: Noir(e)

(b) Rechercher un éventuel court-circuit en B+ dans le circuit.

(1) Brancher le câble sur la borne négative (-) de la batterie.

(2) Mettre le contacteur d'allumage en position ON (IG).

(3) Mesurer la tension en fonction de la (des) valeur(s) indiquée(s) dans le tableau ci-dessous.

Tension standard:

Branchement du tester

Condition

Condition spécifiée

b3-2 (P2+) - Masse de carrosserie

Contacteur d'allumage en position ON (IG)

En dessous de 1 V

b3-1 (P2-) - Masse de carrosserie

Contacteur d'allumage en position ON (IG)

En dessous de 1 V

(4) Mettre le contacteur d'allumage en position OFF.

(5) Débrancher le câble de la borne négative (-) de la batterie.

ATTENTION:

Attendre au moins 90 secondes après avoir débranché le câble de la borne négative (-) de la batterie pour désactiver le système SRS.

(c) Rechercher une éventuelle coupure dans le circuit.

(1) Mesurer la résistance en fonction de la (des) valeur(s) indiquée(s) dans le tableau ci-dessous.

Résistance standard:

Branchement du tester

Condition

Condition spécifiée

b3-2 (P2+) - b3-1 (P2-)

En permanence

En dessous de 1 Ω

(d) Rechercher un court-circuit à la masse dans le circuit.

(1) Mesurer la résistance en fonction de la (des) valeur(s) indiquée(s) dans le tableau ci-dessous.

Résistance standard:

Branchement du tester

Condition

Condition spécifiée

b3-2 (P2+) - Masse de carrosserie

En permanence

1 MΩ minimum

b3-1 (P2-) - Masse de carrosserie

En permanence

1 MΩ minimum

(e) Rechercher un éventuel court-circuit dans le circuit.

(1) Désactiver le mécanisme de prévention d'activation intégré au connecteur B.

Cliquer ici

(2) Mesurer la résistance en fonction de la (des) valeur(s) indiquée(s) dans le tableau ci-dessous.

Résistance standard:

Branchement du tester

Condition

Condition spécifiée

b3-2 (P2+) - b3-1 (P2-)

En permanence

1 MΩ minimum

(3) Remettre le mécanisme de prévention d'activation du connecteur B déverrouillé dans sa position d'origine.

INCORRECT

PASSER AU POINT 5

OK

4.

VERIFIER DTC

(a) Brancher les connecteurs sur l'ensemble d'airbag de tableau de bord côté passager sans porte et sur l'ensemble de capteur d'airbag.

*1

Ensemble d'airbag de tableau de bord côté passager sans trappe

*2

Ensemble de capteur d'airbag

(b) Brancher le câble sur la borne négative (-) de la batterie.

(c) Supprimer les DTC enregistrés dans la mémoire.

Cliquer ici

Body Electrical > SRS Airbag > Clear DTCs

(d) Mettre le contacteur d'allumage en position OFF.

(e) Mettre le contacteur d'allumage en position ON (IG) et attendre au moins 60 secondes.

(f) Vérifier les DTC.

Cliquer ici

Body Electrical > SRS Airbag > Trouble Codes

OK:

Le DTC B1815/54, B1816/54, B1817/54 ou B1818/54 n'est pas émis.

CONSEIL:

Des codes autres que les DTC B1815/54, B1816/54, B1817/54 et B1818/54 peuvent être émis à ce stade, mais ils sont sans objet pour cette vérification.

OK

UTILISER LA METHODE DE SIMULATION POUR EFFECTUER LA VERIFICATION

INCORRECT

REMPLACER L'ENSEMBLE DE CAPTEUR D'AIRBAG

5.

VERIFIER LE CABLE DE TABLEAU DE BORD

(a) Débrancher le câble de tableau de bord n° 2 du câble de tableau de bord.

*1

Ensemble d'airbag de tableau de bord côté passager sans trappe

*2

Ensemble de capteur d'airbag

*3

Câble de tableau de bord n° 2

*4

Câble de tableau de bord

*a

Vue avant du connecteur côté faisceau de câbles

(vers le câble de tableau de bord n° 2)

(b) Rechercher un éventuel court-circuit en B+ dans le circuit.

(1) Brancher le câble sur la borne négative (-) de la batterie.

(2) Mettre le contacteur d'allumage en position ON (IG).

(3) Mesurer la tension en fonction de la (des) valeur(s) indiquée(s) dans le tableau ci-dessous.

Tension standard:

Branchement du tester

Condition

Condition spécifiée

Fb2-3 (P2+) - Masse de carrosserie

Contacteur d'allumage en position ON (IG)

En dessous de 1 V

Fb2-4 (P2-) - Masse de carrosserie

Contacteur d'allumage en position ON (IG)

En dessous de 1 V

(4) Mettre le contacteur d'allumage en position OFF.

(5) Débrancher le câble de la borne négative (-) de la batterie.

ATTENTION:

Attendre au moins 90 secondes après avoir débranché le câble de la borne négative (-) de la batterie pour désactiver le système SRS.

(c) Rechercher une éventuelle coupure dans le circuit.

(1) Mesurer la résistance en fonction de la (des) valeur(s) indiquée(s) dans le tableau ci-dessous.

Résistance standard:

Branchement du tester

Condition

Condition spécifiée

Fb2-3 (P2+) - Fb2-4 (P2-)

En permanence

En dessous de 1 Ω

(d) Rechercher un court-circuit à la masse dans le circuit.

(1) Mesurer la résistance en fonction de la (des) valeur(s) indiquée(s) dans le tableau ci-dessous.

Résistance standard:

Branchement du tester

Condition

Condition spécifiée

Fb2-3 (P2+) - Masse de carrosserie

En permanence

1 MΩ minimum

Fb2-4 (P2-) - Masse de carrosserie

En permanence

1 MΩ minimum

(e) Rechercher un éventuel court-circuit dans le circuit.

(1) Désactiver le mécanisme de prévention d'activation intégré au connecteur B.

Cliquer ici

(2) Mesurer la résistance en fonction de la (des) valeur(s) indiquée(s) dans le tableau ci-dessous.

Résistance standard:

Branchement du tester

Condition

Condition spécifiée

Fb2-3 (P2+) - Fb2-4 (P2-)

En permanence

1 MΩ minimum

(3) Remettre le mécanisme de prévention d'activation du connecteur B déverrouillé dans sa position d'origine.

INCORRECT

REMPLACER LE CABLE DE TABLEAU DE BORD

OK

6.

VERIFIER LE CABLE DE TABLEAU DE BORD N° 2

(a) Rechercher un éventuel court-circuit en B+ dans le circuit.

(1) Brancher le câble sur la borne négative (-) de la batterie.

(2) Mettre le contacteur d'allumage en position ON (IG).

(3) Mesurer la tension en fonction de la (des) valeur(s) indiquée(s) dans le tableau ci-dessous.

Tension standard:

Branchement du tester

Condition

Condition spécifiée

b3-2 (P2+) - Masse de carrosserie

Contacteur d'allumage en position ON (IG)

En dessous de 1 V

b3-1 (P2-) - Masse de carrosserie

Contacteur d'allumage en position ON (IG)

En dessous de 1 V

(4) Mettre le contacteur d'allumage en position OFF.

(5) Débrancher le câble de la borne négative (-) de la batterie.

ATTENTION:

Attendre au moins 90 secondes après avoir débranché le câble de la borne négative (-) de la batterie pour désactiver le système SRS.

*1

Ensemble d'airbag de tableau de bord côté passager sans trappe

*2

Ensemble de capteur d'airbag

*3

Câble de tableau de bord n° 2

*4

Câble de tableau de bord

*a

Vue avant du connecteur côté faisceau de câbles

(vers l'ensemble d'airbag de tableau de bord côté passager sans porte)

*b

Couleur: Noir(e)

(b) Rechercher une éventuelle coupure dans le circuit.

(1) Mesurer la résistance en fonction de la (des) valeur(s) indiquée(s) dans le tableau ci-dessous.

Résistance standard:

Branchement du tester

Condition

Condition spécifiée

b3-2 (P2+) - b3-1 (P2-)

En permanence

En dessous de 1 Ω

(c) Rechercher un court-circuit à la masse dans le circuit.

(1) Mesurer la résistance en fonction de la (des) valeur(s) indiquée(s) dans le tableau ci-dessous.

Résistance standard:

Branchement du tester

Condition

Condition spécifiée

b3-2 (P2+) - Masse de carrosserie

En permanence

1 MΩ minimum

b3-1 (P2-) - Masse de carrosserie

En permanence

1 MΩ minimum

(d) Rechercher un éventuel court-circuit dans le circuit.

(1) Désactiver le mécanisme de prévention d'activation intégré au connecteur D.

Cliquer ici

(2) Mesurer la résistance en fonction de la (des) valeur(s) indiquée(s) dans le tableau ci-dessous.

Résistance standard:

Branchement du tester

Condition

Condition spécifiée

b3-2 (P2+) - b3-1 (P2-)

En permanence

1 MΩ minimum

(3) Remettre le mécanisme de prévention d'activation du connecteur D déverrouillé dans sa position d'origine.

OK

UTILISER LA METHODE DE SIMULATION POUR EFFECTUER LA VERIFICATION

INCORRECT

REMPLACER LE CABLE DE TABLEAU DE BORD N° 2

    Court-circuit dans le circuit du déclencheur latéral arrière droit (B1850/62-B1853/62)
    DESCRIPTION Le circuit du déclencheur latéral arrière droit se compose de l'ensemble de capteur d'airbag et l'airbag de siège arrière droit L'ensemble de capteur d'airbag ...

    Court-circuit dans le circuit du déclencheur d'assise de siège avant côté passager (B1875/67-B1878/67)
    DESCRIPTION Le circuit du déclencheur d'assise de siège avant côté passager comprend l'ensemble de capteur d'airbag et l'ensemble d'airbag d'assise de siège avant droit ...

    Autres matériaux::

    Toyota CH-R Revue Technique > Systeme De Navigation: Le lecteur portable ne peut être enregistré
    MESURE DE PRECAUTION / REMARQUE / CONSEIL CONSEIL: Certaines versions de lecteur audio compatible "Bluetooth" peuvent ne pas fonctionner correctement ou les fonctions accessibles à l'aide de l'ensemble d'autoradio et de système d'affichage peuvent être limitées, e ...

    Toyota CH-R Revue Technique > Systeme Des Compteurs Et Des Jauges: Initialisation
    INITIALISATION PROCEDURE DE REINITIALISATION DU TEMOIN DE RAPPEL D'ENTRETIEN REQUIS (a) Mettre le contacteur d'allumage en position ON. (b) A l'aide de l'ensemble de contacteur au volant, afficher les réglages sur l'écran multifonction. (c) Sélectionner "Maintenance ...

    Toyota C-HR (AX20) 2023-2025 Notice d'utilisation

    Toyota CH-R Notice d'utilisation

    Toyota CH-R Revue Technique

    © 2017-2025 www.tochrfr.com
    0.1841