Toyota CH-R Revue Technique: Dysfonctionnement du moteur de lève-vitre électrique (B2311)

Toyota CH-R Revue Technique / Vitres / Fenetres / Systeme De Commande De Vitre Electrique / Dysfonctionnement du moteur de lève-vitre électrique (B2311)

DESCRIPTION

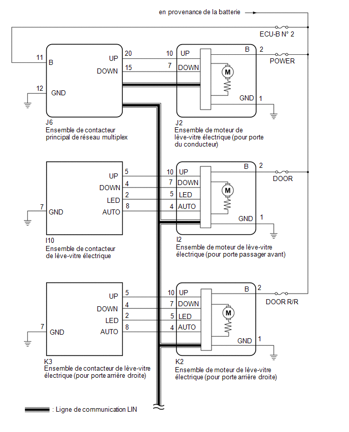
Les ensembles de moteur de lève-vitre électrique sont actionnés par l'ensemble de contacteur principal de réseau multiplex, l'ensemble de contacteur de lève-vitre électrique ou les ensembles de contacteur de lève-vitre électrique arrière. Les ensembles de moteur de lève-vitre électrique remplissent les fonctions de moteur, de lève-vitre et d'ECU.

Ce DTC est enregistré lorsqu'un ensemble de moteur de lève-vitre électrique présente un dysfonctionnement, ou quand l'ECU intégrée dans l'ensemble de moteur de lève-vitre électrique détermine que la position de fermeture complète de la vitre électrique a dévié d'environ 20 mm (0,787 po) minimum par rapport à la position normale.

Moteur de porte D

N° de DTC

Objet de la détection

Condition de détection du DTC

Organe incriminé

B2311

Dysfonctionnement du moteur de lève-vitre électrique

  • Une des conditions suivantes est remplie:
    1. L'ensemble de moteur de lève-vitre électrique (pour porte conducteur) présente un dysfonctionnement
    2. L'ECU de l'ensemble de moteur de lève-vitre électrique (porte côté conducteur) détermine que la position complètement fermée de la vitre électrique a dévié d'environ 20 mm (0,787 po) minimum par rapport à la position normale.
  • Ensemble de moteur de lève-vitre électrique (pour porte conducteur)
  • Pose incorrecte des pièces constitutives de vitre électrique
  • Surchauffe de l'ensemble de moteur de lève-vitre électrique (pour porte conducteur)
  • Faisceau de câbles ou connecteur
Conditions de détection de DTC
 

Conditions de fonctionnement du véhicule

Séquence 1

Séquence 2

Condition de diagnostic

Lors du fonctionnement du système de fermeture complète

-

â—‹

Etat du dysfonctionnement

L'ensemble de moteur de lève-vitre électrique (pour porte conducteur) présente un dysfonctionnement

â—‹

-

La position de la vitre a dévié d'environ 20 mm (0,787 po) minimum de la position normale

-

â—‹

Durée de détection

-

-

Nombre de cycles

1 cycle(s)

1 cycle(s)

CONSEIL:

Le DTC est émis lorsque les conditions requises pour l'une des séquences dans le tableau ci-dessus sont remplies.

Moteur de porte P

N° de DTC

Objet de la détection

Condition de détection du DTC

Organe incriminé

B2311

Dysfonctionnement du moteur de lève-vitre électrique

  • Une des conditions suivantes est remplie:
    1. L'ensemble de moteur de lève-vitre électrique (pour porte passager avant) présente un dysfonctionnement
    2. L'ECU de l'ensemble de moteur de lève-vitre électrique (pour porte du passager avant) détermine que la position de fermeture complète de la vitre électrique a dévié d'environ 20 mm (0,787 po) minimum par rapport à la position normale
  • Ensemble de moteur de lève-vitre électrique (pour porte passager avant)
  • Pose incorrecte des pièces constitutives de vitre électrique
  • Ensemble de moteur de lève-vitre électrique (pour porte passager avant) en surchauffe
  • Faisceau de câbles ou connecteur
Conditions de détection de DTC
 

Conditions de fonctionnement du véhicule

Séquence 1

Séquence 2

Condition de diagnostic

Lors du fonctionnement du système de fermeture complète

-

â—‹

Etat du dysfonctionnement

L'ensemble de moteur de lève-vitre électrique (pour porte passager avant) présente un dysfonctionnement

â—‹

-

La position de la vitre a dévié d'environ 20 mm (0,787 po) minimum de la position normale

-

â—‹

Durée de détection

-

-

Nombre de cycles

1 cycle(s)

1 cycle(s)

CONSEIL:

Le DTC est émis lorsque les conditions requises pour l'une des séquences dans le tableau ci-dessus sont remplies.

Moteur de porte arrière gauche

N° de DTC

Objet de la détection

Condition de détection du DTC

Organe incriminé

B2311

Dysfonctionnement du moteur de lève-vitre électrique

  • Une des conditions suivantes est remplie:
    1. L'ensemble de moteur de lève-vitre électrique (pour porte arrière gauche) présente un dysfonctionnement
    2. L'ECU de l'ensemble de moteur de lève-vitre électrique (pour porte arrière gauche) détermine que la position de fermeture complète de la vitre électrique a dévié d'environ 20 mm (0,787 po) minimum par rapport à la position normale
  • Ensemble de moteur de lève-vitre électrique (pour porte arrière gauche)
  • Pose incorrecte des pièces constitutives de vitre électrique
  • Ensemble de moteur de lève-vitre électrique (pour porte arrière gauche) en surchauffe
  • Faisceau de câbles ou connecteur
Conditions de détection de DTC
 

Conditions de fonctionnement du véhicule

Séquence 1

Séquence 2

Condition de diagnostic

Lors du fonctionnement du système de fermeture complète

-

â—‹

Etat du dysfonctionnement

L'ensemble de moteur de lève-vitre électrique (pour porte arrière gauche) présente un dysfonctionnement

â—‹

-

La position de la vitre a dévié d'environ 20 mm (0,787 po) minimum de la position normale

-

â—‹

Durée de détection

-

-

Nombre de cycles

1 cycle(s)

1 cycle(s)

CONSEIL:

Le DTC est émis lorsque les conditions requises pour l'une des séquences dans le tableau ci-dessus sont remplies.

Moteur de porte arrière droite

N° de DTC

Objet de la détection

Condition de détection du DTC

Organe incriminé

B2311

Dysfonctionnement du moteur de lève-vitre électrique

  • Une des conditions suivantes est remplie:
    1. L'ensemble de moteur de lève-vitre électrique (pour porte arrière droite) présente un dysfonctionnement
    2. L'ECU de l'ensemble de moteur de lève-vitre électrique (pour porte arrière droite) détermine que la position de fermeture complète de la vitre électrique a dévié d'environ 20 mm (0,787 po) minimum par rapport à la position normale
  • Ensemble de moteur de lève-vitre électrique droit (pour porte arrière droite)
  • Pose incorrecte des pièces constitutives de vitre électrique
  • Ensemble de moteur de lève-vitre électrique (pour porte arrière droite) en surchauffe
  • Faisceau de câbles ou connecteur
Conditions de détection de DTC
 

Conditions de fonctionnement du véhicule

Séquence 1

Séquence 2

Condition de diagnostic

Lors du fonctionnement du système de fermeture complète

-

â—‹

Etat du dysfonctionnement

L'ensemble de moteur de lève-vitre électrique (pour porte arrière droite) présente un dysfonctionnement

â—‹

-

La position de la vitre a dévié d'environ 20 mm (0,787 po) minimum de la position normale

-

â—‹

Durée de détection

-

-

Nombre de cycles

1 cycle(s)

1 cycle(s)

CONSEIL:

Le DTC est émis lorsque les conditions requises pour l'une des séquences dans le tableau ci-dessus sont remplies.

SCHEMA DE CABLAGE

MESURE DE PRECAUTION / REMARQUE / CONSEIL

REMARQUE:

  • Le DTC B2311 est enregistré dans chaque ensemble de moteur de lève-vitre électrique.
  • Si un ensemble de moteur de lève-vitre électrique a été remplacé par un neuf, initialiser le système de commande de lève-vitre électrique.

    Cliquer ici

  • Si un ensemble de moteur de lève-vitre électrique et un sous-ensemble de lève-vitre de porte ont été déposés et reposés, ou si un ensemble de moteur de lève-vitre électrique a été réutilisé lorsqu'une vitre de porte ou un coulisseau de vitre de porte a été remplacé(e), initialiser le système de commande de lève-vitre électrique.

    Cliquer ici

  • Vérifier les fusibles pour les circuits liés à ce système avant d'effectuer la procédure suivante.
  • Le système de commande de lève-vitre électrique utilise le système de communication LIN. Vérifier la fonction de communication en suivant la procédure décrite à la section COMMENT UTILISER LA RECHERCHE DE PANNES. Procéder à la recherche de pannes du système de commande de lève-vitre électrique après s'être assuré que le système de communication fonctionne correctement.

    Cliquer ici

PROCEDURE

1.

VERIFIER SI DES DTC SONT EMIS

(a) Supprimer les DTC.

Cliquer ici

Body Electrical > D-Door Motor > Clear DTCs Body Electrical > P-Door Motor > Clear DTCs Body Electrical > RL-Door Motor > Clear DTCs Body Electrical > RR-Door Motor > Clear DTCs

(b) Vérifier les DTC.

Cliquer ici

Body Electrical > D-Door Motor > Trouble Codes Body Electrical > P-Door Motor > Trouble Codes Body Electrical > RL-Door Motor > Trouble Codes Body Electrical > RR-Door Motor > Trouble Codes

OK:

Le DTC B2311 n'est pas émis.

OK

UTILISER LA METHODE DE SIMULATION POUR EFFECTUER LA VERIFICATION

INCORRECT

2.

VERIFIER SI DES DTC SONT EMIS

(a) Vérifier les pièces pour lesquelles ce DTC a été émis.

Résultat:

Résultat

Passer au point

DTC émis par l'ensemble de moteur de lève-vitre électrique (pour côté conducteur)

A

DTC émis par l'ensemble de moteur de lève-vitre électrique (pour côté passager avant)

B

DTC émis par l'ensemble de moteur de lève-vitre électrique (pour porte arrière gauche)

C

DTC émis par l'ensemble de moteur de lève-vitre électrique (pour porte arrière droite)

D

B

PASSER AU POINT 4

C

PASSER AU POINT 5

D

PASSER AU POINT 6

A

3.

VERIFIER LE FAISCEAU DE CABLES ET LE CONNECTEUR (ENSEMBLE DE MOTEUR DE LEVE-VITRE ELECTRIQUE (POUR PORTE DU CONDUCTEUR) - BATTERIE ET MASSE DE CARROSSERIE)

(a) Mesurer la tension en fonction de la (des) valeur(s) indiquée(s) dans le tableau ci-dessous.

Tension standard:

Branchement du tester

Condition

Condition spécifiée

J2-2 (B) - J2-1 (GND)

En permanence

11 à 14 V

*a

Pièce constitutive avec faisceau de câbles branché

(Ensemble de moteur de lève-vitre électrique (pour porte du conducteur))

(b) Mesurer la résistance en fonction de la (des) valeur(s) indiquée(s) dans le tableau ci-dessous.

Résistance standard:

Branchement du tester

Condition

Condition spécifiée

J2-1 (GND) - Masse de carrosserie

En permanence

En dessous de 1 Ω

OK

PASSER AU POINT 7

INCORRECT

REPARER OU REMPLACER LE FAISCEAU DE CABLES OU LE CONNECTEUR

4.

VERIFIER LE FAISCEAU DE CABLES ET LE CONNECTEUR (ENSEMBLE DE MOTEUR DE LEVE-VITRE ELECTRIQUE (POUR PORTE DE PASSAGER AVANT) - BATTERIE ET MASSE DE CARROSSERIE)

(a) Mesurer la tension en fonction de la (des) valeur(s) indiquée(s) dans le tableau ci-dessous.

Tension standard:

Branchement du tester

Condition

Condition spécifiée

I2-2 (B) - I2-1 (GND)

En permanence

11 à 14 V

*a

Pièce constitutive avec faisceau de câbles branché

(Ensemble de moteur de lève-vitre électrique (pour porte du passager avant))

(b) Mesurer la résistance en fonction de la (des) valeur(s) indiquée(s) dans le tableau ci-dessous.

Résistance standard:

Branchement du tester

Condition

Condition spécifiée

I2-1 (GND) - Masse de carrosserie

En permanence

En dessous de 1 Ω

OK

PASSER AU POINT 7

INCORRECT

REPARER OU REMPLACER LE FAISCEAU DE CABLES OU LE CONNECTEUR

5.

VERIFIER LE FAISCEAU DE CABLES ET LE CONNECTEUR (ENSEMBLE DE MOTEUR DE LEVE-VITRE ELECTRIQUE (POUR PORTE ARRIERE GAUCHE) - BATTERIE ET MASSE DE CARROSSERIE)

(a) Mesurer la tension en fonction de la (des) valeur(s) indiquée(s) dans le tableau ci-dessous.

Tension standard:

Branchement du tester

Condition

Condition spécifiée

L2-2 (B) - L2-1 (GND)

En permanence

11 à 14 V

*a

Pièce constitutive avec faisceau de câbles branché

(Ensemble de moteur de lève-vitre électrique (pour porte arrière gauche))

(b) Mesurer la résistance en fonction de la (des) valeur(s) indiquée(s) dans le tableau ci-dessous.

Résistance standard:

Branchement du tester

Condition

Condition spécifiée

L2-1 (GND) - Masse de carrosserie

En permanence

En dessous de 1 Ω

OK

PASSER AU POINT 7

INCORRECT

REPARER OU REMPLACER LE FAISCEAU DE CABLES OU LE CONNECTEUR

6.

VERIFIER LE FAISCEAU DE CABLES ET LE CONNECTEUR (ENSEMBLE DE MOTEUR DE LEVE-VITRE ELECTRIQUE (POUR PORTE ARRIERE GAUCHE) - BATTERIE AUXILIAIRE ET MASSE DE CARROSSERIE)

(a) Mesurer la tension en fonction de la (des) valeur(s) indiquée(s) dans le tableau ci-dessous.

Tension standard:

Branchement du tester

Condition

Condition spécifiée

K2-2 (B) - K2-1 (GND)

En permanence

11 à 14 V

*a

Pièce constitutive avec faisceau de câbles branché

(Ensemble de moteur de lève-vitre électrique (pour porte arrière droite))

(b) Mesurer la résistance en fonction de la (des) valeur(s) indiquée(s) dans le tableau ci-dessous.

Résistance standard:

Branchement du tester

Condition

Condition spécifiée

K2-1 (GND) - Masse de carrosserie

En permanence

En dessous de 1 Ω

INCORRECT

REPARER OU REMPLACER LE FAISCEAU DE CABLES OU LE CONNECTEUR

OK

7.

EFFECTUER L'ACTIVE TEST A L'AIDE DU TECHSTREAM (EMPLACEMENT CONCERNE)

(a) Brancher le Techstream sur le DLC3.

(b) Mettre le contacteur d'allumage en position ON.

(c) Allumer le Techstream.

(d) Sélectionner les menus suivants: Body Electrical / (système souhaité) / Active Test.

CONSEIL:

Effectuer l'active test de l'ensemble de moteur de lève-vitre électrique dont l'ECU a enregistré le DTC B2311.

(e) Effectuer l'Active Test en suivant les indications du Techstream.

ATTENTION:

Lors de ce test, veiller à ne pas se blesser avec des pièces du véhicule en mouvement. Pendant l'Active Test, la fonction anticoincement ne fonctionne pas.

Body Electrical > D-Door Motor > Active Test

Affichage du tester

Objet de la mesure

Plage de commande

Note de diagnostic

Power Window

Vitre électrique

OFF / DOWN / UP

-

Body Electrical > P-Door Motor > Active Test

Affichage du tester

Objet de la mesure

Plage de commande

Note de diagnostic

Power Window

Vitre électrique

OFF / DOWN / UP

-

Body Electrical > RL-Door Motor > Active Test

Affichage du tester

Objet de la mesure

Plage de commande

Note de diagnostic

Power Window

Vitre électrique

OFF / DOWN / UP

-

Body Electrical > RR-Door Motor > Active Test

Affichage du tester

Objet de la mesure

Plage de commande

Note de diagnostic

Power Window

Vitre électrique

OFF / DOWN / UP

-

Body Electrical > D-Door Motor > Active Test

Affichage du tester

Power Window

Body Electrical > P-Door Motor > Active Test

Affichage du tester

Power Window

Body Electrical > RL-Door Motor > Active Test

Affichage du tester

Power Window

Body Electrical > RR-Door Motor > Active Test

Affichage du tester

Power Window

OK:

Chaque vitre électrique fonctionne normalement.

Résultat:

Résultat

Passer au point

OK

A

NG (vitre électrique de porte côté conducteur)

B

NG (vitre de la porte du passager avant)

NG (vitre électrique côté arrière gauche)

C

NG (vitre électrique côté arrière droit)

B

REMPLACER L'ENSEMBLE DE MOTEUR DE LEVE-VITRE ELECTRIQUE (POUR PORTE DU CONDUCTEUR OU PORTE DU PASSAGER AVANT)

C

REMPLACER L'ENSEMBLE DE MOTEUR DE LEVE-VITRE ELECTRIQUE (POUR PORTE ARRIERE GAUCHE OU PORTE ARRIERE DROITE)

A

8.

PROCEDER A L'INITIALISATION (EMPLACEMENT CONCERNE)

(a) Initialiser l'ensemble de moteur de lève-vitre électrique.

Cliquer ici

CONSEIL:

Initialiser l'ensemble de moteur de lève-vitre électrique dont l'ECU a enregistré le DTC B2311.

SUIVANT

9.

VERIFIER LE SYSTEME DE COMMANDE DE VITRE ELECTRIQUE (EMPLACEMENT CONCERNE)

(a) S'assurer que la vitre électrique fonctionne normalement en l'ouvrant et en la fermant.

Cliquer ici

CONSEIL:

Vérifier le fonctionnement de la vitre électrique pour laquelle le DTC B2311 a été enregistré.

OK:

Chaque vitre électrique fonctionne normalement.

Résultat:

Résultat

Passer au point

OK

A

NG (vitre électrique de porte côté conducteur)

B

NG (vitre de la porte du passager avant)

NG (vitre électrique côté arrière gauche)

C

NG (vitre électrique côté arrière droit)

B

REMPLACER L'ENSEMBLE DE MOTEUR DE LEVE-VITRE ELECTRIQUE (POUR PORTE DU CONDUCTEUR OU PORTE DU PASSAGER AVANT)

C

REMPLACER L'ENSEMBLE DE MOTEUR DE LEVE-VITRE ELECTRIQUE (POUR PORTE ARRIERE GAUCHE OU PORTE ARRIERE DROITE)

A

10.

VERIFIER SI LES PIECES CONSTITUTIVES ONT ETE CORRECTEMENT POSEES

(a) Vérifier que les pièces constitutives de la vitre électrique sont correctement posées.

OK:

Les pièces constitutives de la vitre électrique sont correctement posées.

INCORRECT

POSER LES PIECES CORRECTEMENT

OK

11.

VERIFIER SI DES DTC SONT EMIS

(a) Mettre le contacteur d'allumage en position OFF.

(b) Attendre au moins 10 secondes puis mettre le contacteur d'allumage en position ON.

(c) Vérifier les DTC.

Cliquer ici

Body Electrical > D-Door Motor > Trouble Codes Body Electrical > P-Door Motor > Trouble Codes Body Electrical > RL-Door Motor > Trouble Codes Body Electrical > RR-Door Motor > Trouble Codes

OK:

Le DTC B2311 n'est pas émis.

Résultat:

Résultat

Passer au point

OK

A

NG (vitre électrique de porte côté conducteur)

B

NG (vitre de la porte du passager avant)

NG (vitre électrique côté arrière gauche)

C

NG (vitre électrique côté arrière droit)

A

FIN

B

REMPLACER L'ENSEMBLE DE MOTEUR DE LEVE-VITRE ELECTRIQUE (POUR PORTE DU CONDUCTEUR OU PORTE DU PASSAGER AVANT)

C

REMPLACER L'ENSEMBLE DE MOTEUR DE LEVE-VITRE ELECTRIQUE (POUR PORTE ARRIERE GAUCHE OU PORTE ARRIERE DROITE)

    Data List / Active Test
    DATA LIST / ACTIVE TEST DATA LIST CONSEIL: La Data List du Techstream permet de relever les valeurs ou l'état des contacteurs, des capteurs, des actionneurs et d'autres éléments sans a ...

    Historique De Fonctionnement
    HISTORIQUE DE FONCTIONNEMENT REMARQUE: Si le véhicule ou des commandes du véhicules sont actionnées (par exemple, pendant la vérification lorsque le véhicule est amené pour des ré ...

    Autres matériaux::

    Toyota CH-R Revue Technique > Systeme D'airbag: Dysfonctionnement de l'ensemble de capteur central d'airbag (B1000/31)
    DESCRIPTION L'ensemble de capteur d'airbag se compose du capteur d'accélération, du capteur de surveillance, du circuit de commande, du circuit de diagnostic, de la commande d'allumage, etc. Lorsque l'ensemble de capteur d'airbag reçoit les signaux émis par le capte ...

    Toyota CH-R Notice d'utilisation > Sélecteur d'éclairage: Instructions d'utilisation
    Tournez l'extrémité du sélecteur pour allumer les éclairages comme suit: Les projecteurs, les éclairages de jour et tous les feux énumérés ci-dessous s'allument et s'éteignent automatiquement. (Lorsque le contacteur de démarrage est sur "ON" [véhicules dépourvus de systèm ...

    Toyota C-HR (AX20) 2023-2025 Notice d'utilisation

    Toyota CH-R Notice d'utilisation

    Toyota CH-R Revue Technique

    © 2017-2026 www.tochrfr.com
    0.0084