Toyota CH-R Revue Technique: Court-circuit en sortie du haut-parleur (B15C3)

DESCRIPTION

Ce DTC est enregistré lorsqu'un dysfonctionnement se produit dans les haut-parleurs.

N° de DTC

Objet de la détection

Condition de détection du DTC

Organe incriminé

B15C3

Court-circuit en sortie du haut-parleur

Un court-circuit est détecté dans le circuit de sortie du haut-parleur

  • Faisceau de câbles ou connecteur
  • Haut-parleur
  • DCM (émetteur-récepteur télématique)*1
  • *1: avec contacteur (SOS) manuel

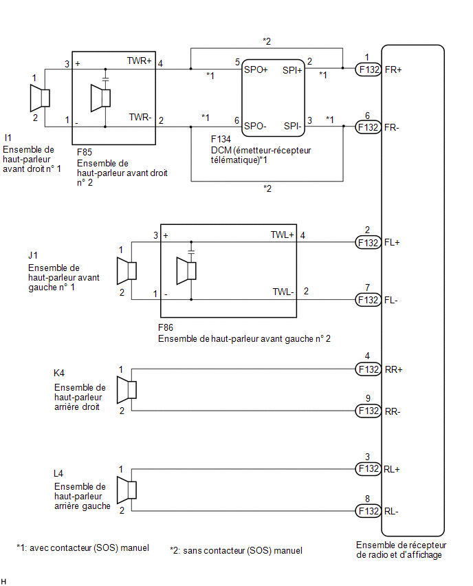
SCHEMA DE CABLAGE

PROCEDURE

1.

CONFIRMER LE MODELE

(a) Sélectionner le modèle à vérifier.

Résultat:

Résultat

Passer au point

avec contacteur (SOS) manuel

A

sans contacteur (SOS) manuel

B

B

PASSER AU POINT 5

A

2.

VERIFIER LE FAISCEAU DE CABLES ET LE CONNECTEUR (ENSEMBLE DE RECEPTEUR DE RADIO ET D'AFFICHAGE, DCM (EMETTEUR-RECEPTEUR TELEMATIQUE) OU HAUT-PARLEURS - MASSE DE CARROSSERIE)

(a) Débrancher les connecteurs F132 d'ensemble de récepteur de radio et d'affichage.

(b) Débrancher le connecteur F134 du DCM (émetteur-récepteur télématique).

(c) Débrancher le connecteur F86 de l'ensemble de haut-parleur avant gauche n° 2.

(d) Débrancher les connecteurs K4 et L4 d'ensemble de haut-parleur arrière.

(e) Mesurer la résistance en fonction de la (des) valeur(s) indiquée(s) dans le tableau ci-dessous.

Résistance standard:

Branchement du tester

Condition

Condition spécifiée

F132-1 (FR+) ou F134-2 (SPI+) - Masse de carrosserie

En permanence

10 kΩ minimum

F132-6 (FR-) ou F134-3 (SPI-) - Masse de carrosserie

En permanence

10 kΩ minimum

F132-2 (FL+) ou F86-4 (TWL+) - Masse de carrosserie

En permanence

10 kΩ minimum

F132-7 (FL-) ou F86-2 (TWL-) - Masse de carrosserie

En permanence

10 kΩ minimum

F132-4 (RR+) ou K4-1 - Masse de carrosserie

En permanence

10 kΩ minimum

F132-9 (RR-) ou K4-2 - Masse de carrosserie

En permanence

10 kΩ minimum

F132-3 (RL+) ou L4-1 - Masse de carrosserie

En permanence

10 kΩ minimum

F132-8 (RL-) ou L4-2 - Masse de carrosserie

En permanence

10 kΩ minimum

INCORRECT

REPARER OU REMPLACER LE FAISCEAU DE CABLES OU LE CONNECTEUR

OK

3.

VERIFIER LE FAISCEAU DE CABLES ET LE CONNECTEUR (ENSEMBLE DE HAUT-PARLEUR AVANT DROIT N° 2 OU DCM (EMETTEUR-RECEPTEUR TELEMATIQUE) - MASSE DE CARROSSERIE)

(a) Débrancher le connecteur F85 de l'ensemble de haut-parleur avant droit n° 2.

(b) Débrancher le connecteur F134 du DCM (émetteur-récepteur télématique).

(c) Mesurer la résistance en fonction de la (des) valeur(s) indiquée(s) dans le tableau ci-dessous.

Résistance standard:

Branchement du tester

Condition

Condition spécifiée

F85-4 (TWR+) ou F134-5 (SPO+) - Masse de carrosserie

En permanence

10 kΩ minimum

F85-2 (TWR-) ou F134-6 (SPO-) - Masse de carrosserie

En permanence

10 kΩ minimum

INCORRECT

REPARER OU REMPLACER LE FAISCEAU DE CABLES OU LE CONNECTEUR

OK

4.

VERIFIER LE DCM (EMETTEUR-RECEPTEUR TELEMATIQUE)

(a) Débrancher le DCM (émetteur-récepteur télématique).

Cliquer ici

(b) Mesurer la résistance en fonction de la (des) valeur(s) indiquée(s) dans le tableau ci-dessous.

Résistance standard:

Branchement du tester

Condition

Condition spécifiée

2 (SPI+) - 5 (SPO+)

En permanence

En dessous de 1 Ω

3 (SPI-) - 6 (SPO-)

En permanence

En dessous de 1 Ω

2 (SPI+) - 3 (SPI-)

En permanence

10 kΩ minimum

5 (SPO+) - 6 (SPO-)

En permanence

10 kΩ minimum

2 (SPI+) ou 5 (SPO+) - Masse de carrosserie

En permanence

10 kΩ minimum

3 (SPI-) ou 6 (SPO-) - Masse de carrosserie

En permanence

10 kΩ minimum

*a

Pièce constitutive sans faisceau de câbles branché

(DCM (émetteur-récepteur télématique))

OK

PASSER AU POINT 6

INCORRECT

REMPLACER LE DCM (EMETTEUR-RECEPTEUR TELEMATIQUE)

5.

VERIFIER LE FAISCEAU DE CABLES ET LE CONNECTEUR (ENSEMBLE D'AUTORADIO ET D'AFFICHAGE OU HAUT-PARLEURS - MASSE DE CARROSSERIE)

(a) Débrancher les connecteurs F132 d'ensemble de récepteur de radio et d'affichage.

(b) Débrancher les connecteurs F85 et F86 de l'ensemble de haut-parleur avant n° 2.

(c) Débrancher les connecteurs K4 et L4 d'ensemble de haut-parleur arrière.

(d) Mesurer la résistance en fonction de la (des) valeur(s) indiquée(s) dans le tableau ci-dessous.

Résistance standard:

Branchement du tester

Condition

Condition spécifiée

F132-1 (FR+) ou F85-4 (TWR+) - Masse de carrosserie

En permanence

10 kΩ minimum

F132-6 (FR-) ou F85-2 (TWR-) - Masse de carrosserie

En permanence

10 kΩ minimum

F132-2 (FL+) ou F86-4 (TWL+) - Masse de carrosserie

En permanence

10 kΩ minimum

F132-7 (FL-) ou F86-2 (TWL-) - Masse de carrosserie

En permanence

10 kΩ minimum

F132-4 (RR+) ou K4-1 - Masse de carrosserie

En permanence

10 kΩ minimum

F132-9 (RR-) ou K4-2 - Masse de carrosserie

En permanence

10 kΩ minimum

F132-3 (RL+) ou L4-1 - Masse de carrosserie

En permanence

10 kΩ minimum

F132-8 (RL-) ou L4-2 - Masse de carrosserie

En permanence

10 kΩ minimum

INCORRECT

REPARER OU REMPLACER LE FAISCEAU DE CABLES OU LE CONNECTEUR

OK

6.

VERIFIER LE FAISCEAU DE CABLES ET LE CONNECTEUR (ENSEMBLE DE HAUT-PARLEUR AVANT N° 1 OU ENSEMBLE DE HAUT-PARLEUR AVANT N° 2 - MASSE DE CARROSSERIE)

(a) Débrancher les connecteurs I1 et J1 de l'ensemble de haut-parleur avant n° 1.

(b) Débrancher les connecteurs F85 et F86 de l'ensemble de haut-parleur avant n° 2.

(c) Mesurer la résistance en fonction de la (des) valeur(s) indiquée(s) dans le tableau ci-dessous.

Résistance standard:

Branchement du tester

Condition

Condition spécifiée

F85-3 (+) ou I1-1 - Masse de carrosserie

En permanence

10 kΩ minimum

F85-1 (-) ou I1-2 - Masse de carrosserie

En permanence

10 kΩ minimum

F86-3 (+) ou J1-1 - Masse de carrosserie

En permanence

10 kΩ minimum

F86-1 (-) ou J1-2 - Masse de carrosserie

En permanence

10 kΩ minimum

INCORRECT

REPARER OU REMPLACER LE FAISCEAU DE CABLES OU LE CONNECTEUR

OK

7.

VERIFIER L'ENSEMBLE DE HAUT-PARLEUR AVANT N° 1

(a) Déposer l'ensemble de haut-parleur avant n° 1.

Cliquer ici

(b) Vérifier l'ensemble de haut-parleur avant n° 1.

Cliquer ici

INCORRECT

REMPLACER L'ENSEMBLE DE HAUT-PARLEUR AVANT N° 1

OK

8.

VERIFIER L'ENSEMBLE DE HAUT-PARLEUR AVANT N° 2

(a) Déposer l'ensemble de haut-parleur avant n° 2.

Cliquer ici

(b) Vérifier l'ensemble de haut-parleur avant n° 2.

Cliquer ici

(c) Supprimer les DTC.

Cliquer ici

Body Electrical > Navigation System > Clear DTCs

(d) Vérifier à nouveau les DTC et s'assurer qu'aucun DTC n'est émis.

Body Electrical > Navigation System > Trouble Codes

OK:

Aucun DTC n'est émis.

OK

FIN

INCORRECT

9.

VERIFIER L'ENSEMBLE DE HAUT-PARLEUR ARRIERE

(a) Retirer l'ensemble de haut-parleur arrière

Cliquer ici

(b) Vérifier l'ensemble de haut-parleur arrière.

Cliquer ici

OK

REMPLACER L'ENSEMBLE D'AUTORADIO ET D'AFFICHAGE

INCORRECT

REMPLACER L'ENSEMBLE DE HAUT-PARLEUR ARRIERE

    Anomalie dans le branchement de l'antenne de GPS (court-circuit) (B15C0,B15C1)
    DESCRIPTION Ces DTC sont enregistrés lorsqu'un dysfonctionnement se produit dans l'ensemble d'antenne de navigation. N° de DTC Objet de la détection ...

    Dysfonctionnement de l'appareil USB (B1585)
    DESCRIPTION Ce DTC est enregistré lorsqu'un dysfonctionnement se produit dans un appareil raccordé. N° de DTC Objet de la détection Condition de détection ...

    Autres matériaux::

    Toyota CH-R Revue Technique > Systeme De Controle D'angle Mort: Perte de la communication avec l'ECM/PCM "A" (U0100,U0125,U0126,U0129,U0142)
    DESCRIPTION Ces DTC sont enregistrés en cas de dysfonctionnement dans le système de communication CAN qui est branché au capteur de moniteur d'angle mort. CONSEIL: Si les DTC du système de communication CAN sont enregistrés, ils peuvent également l'être pour d'autres systè ...

    Toyota CH-R Revue Technique > Systeme De Direction Assistee: Mesures De Precaution
    MESURES DE PRECAUTION EXPRESSIONS RELATIVES AU CONTACTEUR D'ALLUMAGE CONSEIL: Le type de contacteur d'allumage utilisé varie en fonction des caractéristiques du véhicule. Les expressions reprises dans le tableau ci-dessous sont utilisées dans cette section. Expression ...

    Toyota C-HR (AX20) 2023-2025 Notice d'utilisation

    Toyota CH-R Notice d'utilisation

    Toyota CH-R Revue Technique

    © 2017-2026 www.tochrfr.com
    0.0087